- ball
- Gate valve
- butterfly valve
- Regulating valve
- Cut-off valve
- Globe valve
- Check valve
- Knife Gate Valve
- Safety valve
- Pressure relief valve
- Drain valve
- Plug valve
- Diaphragm valve
- Discharge valve
- Exhaust valve
- Filter
- Solenoid valve
- Needle valve
- Plunger valve
- Copper valve
- Compensator
- Hydraulic control valve
- Electric two way valve
- Vacuum valve
- Thermal insulation valve
- Flame arrester
- Breathing valve
- Balance valve
- Sludge discharge valve
- Ammonia valve
- Metallurgical valves
- Fluorine valve
- Low temperature valve
- Power station valve
- Natural gas valves
- Other valves
- Inlet valve
- Import actuator
J41B ammonia flanged stop valve
- sell:021-32051999
- sell:021-32050777
- fax:021-66099555
Details
- Product Introduction
- Service Promise
- Ordering Process
The sealing surface of J41B ammonia flange valve adopts Babbit, tetrafluoroethylene, nylon and so on. Using low temperature resistant high quality carbon steel or stainless steel as the valve body, the service life is long. It is installed in the refrigeration system equipment or pipeline, used to connect and cut off the refrigerant flow channel, in the process of use encounter temperature fluctuations in the environment can naturally achieve chemical treatment performance.
Main uses
Ammonia flange globe valves are suitable for opening and closing of ammonia, ammonia liquid medium pipelines and liquefied gas pipelines at temperatures of - 40 ~ + 120 degrees Celsius. It is mainly suitable for freezing, refrigeration, chemical, petroleum, food, smelting, liquefied petroleum gas and other units.
Scope of use
Range: DN15 ~ DN300
Pressure range: 1.6MPa ~ 4.0MPa
Temperature range: -40 C ~ 120 C
Medium range: propane, alkene, methanol, ethane, gas, liquid ammonia, liquefied natural gas and other cryogenic media.
Material of main parts
零件名稱 | 閥體、閥蓋 | 密封圈 | 填料 | 填料壓蓋 | 閥桿 | 墊片 |
J41B-25C | 鑄鋼 | 巴氏合金 | 聚四氟 乙 烯 | 碳鋼 | 聚四氟 乙 烯 | |
J41B-25Z | 灰鑄鐵 | |||||
J41B-25P | 不銹鋼 | 不銹鋼 | ||||
J41F-25Z | 灰鑄鐵 | 聚四氟乙烯 | 碳鋼 | |||
公稱壓力PN(MPA) | 試驗壓力PS(MPa) | 適用介質 | 適用溫度(℃) | |
2.5 | 3.8 | 氨氣、 氨液等 NH3 | 巴氏合金 -40℃ +150℃ | 四氟 -40℃ +200℃ |
4.0 | 6.4 | |||


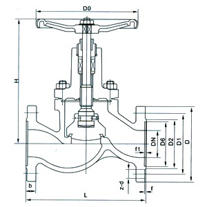
公稱通徑 DN(mm) | 尺 寸(mm) | |||||||||||
L | D | D1 | D2 | D6 | b | f | f1 | Z-φd | 關 | 開 | D0 | |
10 | 130 | 90 | 60 | 40 | 35 | 16 | 2 | 4 | 4-φ14 | 165 | 185 | 110 |
15 | 130 | 95 | 65 | 45 | 40 | 16 | 2 | 4 | 4-φ14 | 165 | 185 | 110 |
20 | 150 | 105 | 75 | 55 | 51 | 18 | 2 | 4 | 4-φ14 | 170 | 200 | 120 |
25 | 160 | 115 | 85 | 65 | 58 | 18 | 2 | 4 | 4-φ14 | 197 | 210 | 120 |
32 | 180 | 135 | 100 | 78 | 66 | 20 | 2 | 4 | 4-φ18 | 199 | 213 | 140 |
40 | 200 | 145 | 110 | 85 | 76 | 20 | 3 | 4 | 4-φ18 | 248 | 264 | 160 |
50 | 230 | 160 | 125 | 100 | 88 | 22 | 3 | 4 | 4-φ18 | 265 | 295 | 180 |
65 | 290 | 180 | 145 | 120 | 110 | 24 | 3 | 4 | 8-φ18 | 310 | 349 | 220 |
80 | 310 | 195 | 160 | 135 | 121 | 26 | 3 | 4 | 8-φ18 | 340 | 357 | 240 |
100 | 350 | 230 | 190 | 160 | 150 | 30 | 3 | 4.5 | 8-φ23 | 380 | 413 | 280 |
125 | 400 | 270 | 220 | 188 | 176 | 32 | 3 | 4.5 | 8-φ25 | 430 | 451 | 320 |
150 | 480 | 300 | 250 | 218 | 204 | 32 | 3 | 4.5 | 8-φ25 | 505 | 492 | 360 |
200 | 600 | 360 | 310 | 278 | 260 | 34 | 3 | 4.5 | 12-φ25 | 550 | 806 | 400 |
250 | 650 | 425 | 370 | 335 | 31 | 36 | 3 | 4.5 | 12-φ30 | 730 | 880 | 450 |
300 | 750 | 485 | 430 | 390 | 364 | 40 | 3 | 4.5 | 16-φ30 | - | 995 | 550 |
The best quality, first-class service Qigao creates more value for you!
"Qigao Valve" expects to continuously improve service quality and strive for excellence. "Sincere service" is the eternal theme of "Qigao". "Qigao" strictly followsIS09001-2000 Quality system certification requirements, strict quality control, responsibility to people, to ensure the healthy operation of production, sales and service. Strengthen communication with users and provide quality products to our customers with perfection and perfect service. Hereby our factory makes the following commitments:
Product Standards:
Products in strict accordance with ChinaGB、HG Standard and USAPISuch as standard design, manufacturing, acceptance. The hardness of the sealing surface meets the requirements of the state and the width exceeds the national standard.
pre-sale service:
Product introduction, technical exchange, non-standard product design, troubleshooting。
Sale service:
A trustworthy contract guarantees timely delivery and keeps in touch with customers. For special or duplicate products, our factory arranges technicians to use and troubleshoot the products for users.
After sales service:
1、"Qigao" brand product quality period is from the factory12In the month, the implementation of the "three guarantees" service (return, replacement, warranty).
2、During the use of our products, our factory regularly organizes technical and quality inspection personnel to visit and consult users for feedback on product quality, usage status and improvement opinions, so as to further improve product quality.
3、Respond quickly to the quality of user complaints, after-sales service personnel rushed to the scene in 24-36 hours (48 hours outside the province).
4、For after-sales service, users are required to fill out the quality feedback information form after the service and make an appraisal opinion in order to improve the service quality of Qigao.
1、If the customer has special requirements for the product, the following instructions must be provided in the order contract.:
a、Structure length;
b、Connection Type;
c、Nominal diameter, full diameter, reduced diameter, pipe size;
d、Operating medium and temperature, pressure range;
e、Tests, inspection standards and other requirements
2、The factory can configure various types of driving devices according to customer's specific requirements.。
3、If the type and model of the valve are determined by the customer, the customer shall correctly state the meaning and requirements of the model and sign the contract under the condition that the supplier and the buyer understand each other.
4、For futures and order customers, please call us in advance to tell the required valve model, specification, quantity, delivery time and location, and timely transfer to the factory account according to the total 30% deposit or full payment. The rest of the payment is pending. Import before shipment to arrange delivery in time.
Order Process:
1、Customer purchase list fax to021-33872143,Or call us 021-33872141
2、Receive customer purchase list, provide valve model selection and quotation (price list)。
3、Specific agreement: delivery date, special requirements, etc.。
download Google:
1、If the customer has special requirements for the product, the following instructions must be provided in the order contract.:
|
|||||
|
|||||
2、The factory can configure various types of driving devices according to customer's specific requirements.。
|
|||||
3、If the type and model of the valve are determined by the customer, the customer shall correctly state the meaning and requirements of the model and sign the contract under the condition that the supplier and the buyer understand each other.
|
|||||
4、For futures and order customers, please call us first to tell the required valve model, specifications, quantity, delivery time and location, and press the total30%The deposit or full payment will be remitted to our factory account in time., The rest of the payment will be remitted before shipment to arrange delivery in time.。
|
Sale service:
Trustworthy contract, guarantee timely delivery, keep in touch with customers at any time。
For special or duplicate products, our factory arranges technicians to use and troubleshoot the products for users.
After sales service:
1、"Qigao" product quality period is from the factory12Month, practice“Three packs”Service (return, replacement, warranty)。
2、During the use of our products, our factory regularly organizes technical and quality inspection personnel to visit and consult users for feedback on product quality, usage status and improvement opinions.,
In order to further improve product quality。
3、Respond quickly to the quality of user complaints, after-sales service personnel24-36Hours (outside the province48Hour) rushed to the scene。
4、For after-sales service, the user is required to fill out the quality feedback information form after the service and make an appraisal opinion in order to improve the service quality of “Qigao”.。
statement |
|